
-A Stm8s103f3p6 Estmikroelektronikak fabrikatutako 8 biteko mikrokontrolatzailea da, bere funtzionaltasun ikusgarria eta integrazio egokia lortzeko.Gailu trinko hau gainazaleko gailua (SMD) muntatzeko estiloa da, punta-puntako teknologia erabiliz metikulan fabrikatutako muina aurreratuak eta periferikoak gorpuztuz.16 MHz erloju maiztasunarekin, STM8S103F3P6-k I / O gaitasun sendoa du, datuen tratamendu eraginkorra eta manipulazioa bermatuz.Bere erlojupeko tenporizadore independente independentea, erloju iturri independentea eta erloju segurtasun sistema independentea duena, gailuaren errendimendu ezin hobea eta erresilientzia bermatzen ditu balizko etenen aurka.
Bere ezaugarri nabarmenetako bat da bere flash memoria, eta horrek gordetzeko ez du biltegiratze ez lurrunkorrik eskaintzen kodea eta datuak.2,95 v eta 5,5 V arteko tentsio-tartea duen tentsioarekin, mikrokontrolagailu hau oso polifazetikoa eta egokiena da hainbat aplikaziotara.Gainera, -40 ºC-tik 85 ºC-ko funtzionamendu-tenperatura zabala eskaintzen du, ingurumen baldintza desberdinetan hedatzeko egokia da.
• msp430g2353
• pic16lf18444t


Potentzia kontsumo baxua: potentzia kontsumo baxuko moduak ditu, besteak beste, Modu inaktiboak, lo egiteko modua, lo sakonerako modua eta desaktibatzeko modua, eta horrek bateriaren bizitza modu eraginkorrean luzatu eta energia aurreztu dezake.
Errendimendu altua: errendimendu handiko STM8 oinarrizko arkitektura hartzen du eta horrek funtzionamendu maiztasuna 16mhz bezain altua izan dezake eta horrek asko hobetzen du instrukzioaren exekuzioaren abiadura eta informatika gaitasun eraginkorragoak eskaintzen ditu gure aplikazioetarako.
Komunikazio interfaze anitzak: hainbat komunikazio interfaze onartzen ditu SPI (Serial Periferiko Interfazea), I2C eta Uart.Interfaze horien bidez, kanpoko gailuekin erraz komunikatu eta elkarreragin dezake funtzio eta aplikazio gehiago lortzeko.
Periferiko ugariak: STM8S103F3P6 Mikrokontrolatzaileak baliabide periferiko ugariak ditu, besteak beste, flash memoria eta RAM memoria 1kB, baita GPIO pinak, tenporizadoreak eta Uart bezalako interfazeak ere.Periferiko horien aniztasunak aplikatzeko hainbat eszenatokietarako egokia da eta hainbat arlo eta industria desberdinen beharrak asetzeko.Industriaren kontrola, etxe adimenduna edo sistema kapsulatuak diren ala ez, STM8S103F3P6-k laguntza eman dezake.

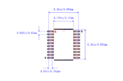
STM8S103F3P6 eskumena txikiko pakete txikian (TSSOP) paketatuta dago eta 20 pin ditu.Gorputza eta berunezko tartea soic pakete estandarrak baino txikiagoak dira.Tssop-en ezaugarri tipikoa paketatutako txiparen inguruko pinak eratzea da, eta horrek egokia da kableak muntatzeko PCBetan SMT teknologia erabiliz.Tssop paketea erabiltzerakoan, parametro parasitoak (irteera-tentsio handien ondorioz sortutako irteera-tentsioaren asaldura txikiagoa da), beraz, maiztasun handiko aplikazioetarako egokia da.Pakete mota hau komenigarriagoa da funtzionatzeko eta fidagarritasun handiagoa du.
Tssop paketeak ezaugarri hauek ditu:
• Pin tarte txikia: PIN tartea orokorrean 0,5mm edo 0,65 mm da.Zirkuitu-taulako kobrezko barrak diseinatuz, gailu gehiago koka daitezke zirkuituan, eremu eta tamaina berarekin.
• Aplikazio-esparru zabala: mikrokontrolagailu, DSPS, Memory Chips eta Power Hornidura txipak bezalako hainbat aplikazio-eremutan aplika daiteke.
• Pin High Count: pin kopurua 20 eta 64 ingurukoa da, eta hori txipa integratzeko baldintza batzuk bete daitezke.
• Pakete tamaina txikia: ohiko eskema (SO) paketeekin alderatuta, bere paketearen tamaina txikiagoa da, lodiera meheagoa da eta bolumena txikiagoa da, dentsitate handiko zirkuitu integratuak ontziratzeko egokia da.
• Errendimendu altua: gainazaleko mendiaren teknologia hartzen du, eroankortasun eta korrosioarekiko erresistentzia ona du eta, hala nola abiadura handiko, maiztasun altua, miniaturizazioa eta abar adibidez, baldintza bereziak bete ditzake.
Besterik zehaztu ezean, tentsio guztiak vss aipatzen dira.
Gutxieneko eta gehienezko balioak baldintza kaltegarrienetan bermatzen dira, giro-tenperatura, hornidura tentsioa eta maiztasunak biltzen dituena.Berme horiek gailuen% 100ean egindako produkzio-proba zorrotzetan ezartzen dira, TA = 25 ° C eta TA = TAMAX-en tenperatura giroan (aukeratutako tenperatura-barrutiak definitzen duen moduan).
Karakterizazioaren emaitzetan oinarritutako balioak, diseinuaren simulazioak eta / edo ezaugarri teknologikoak azaltzen dira mahai-oharretan eta ez dute ekoizpen probak egin.Karakterizazioari dagokionez, gutxieneko eta gehienezko balioei dagokienez, ebaluazioak lagin eta batez besteko balioa biribilduz edo hiru aldiz desbideratze estandarra (batez besteko ± 3σ) adierazten dute.
Bestela, bestela adierazi ezean, datu estandarrak TA = 25 ºC-rekin ezartzen dira VDD = 5 V. Balio hauek diseinu erreferentzia gisa ematen dira eta ez dute probak egin.
ADC balioen zehaztasun tipikoa tenperatura-barruti osoaren zeharkaldi estandarraren lagin multzo baten karakterizazioaren bidez ezartzen da.Testuinguru horretan, gailuen% 95ek akats bat erakusten du zehaztutako balioaren barruan (batez bestekoa ± 2σ).
Berariaz adierazi ezean, grafiko estandar guztiak diseinu erreferentzia gisa soilik zuzenduta daude eta ez dira probak egin.
Zehaztutako gehienezko gehienezko balorazioek gainditzea gailuan kalte iraunkorrak sor daitezke.Balorazio horiek gailuak jasan dezakeen estresaren mugak adierazten ditu eta ez da inplikatzen gailuak baldintza horietan behar bezala funtzionatuko duela.Gehienezko balorazioen arabera edo gertutik gertatutako baldintzetan erabiltzeak gailuaren fidagarritasunean eragin dezake.
Gailuaren misioaren profilak, bere aplikazio baldintzak azaltzen dituena, Jedec Jesd47 Kualifikazio Arauari atxikitzen zaio, eskatuta eskuragarri dauden misio profil luzeak erabiliz.
Erregulatzaile primarioaren egonkortasuna lortzeko, kanpoko kondentsadoreari etetutako cext-a VCAP PINarekin konektatuta egon beharko luke.Ezinbestekoa da serieko indukantzia 15 NH baino gutxiago izaten dela ziurtatzea.
Egungo kontsumoa hurrengo irudian ilustratuta dago.

Hornidura guztizko uneko kontsumoa Exekutatu moduan
MCU baldintza hauen pean kokatzen da:
• Periferiko guztiak desgaituta daude (erlojua erloju periferikoaren gaineko erregistroak geldituta) esplizituki aipatzen bada.
• I / O pin guztiak sarrera moduan VDD edo VSS-en balio estatikoarekin (karga gabe)
VDD eta TAren funtzionamendu baldintza orokorren menpe.

STM8S103F3P6k 20 pin ditu, bere pin izenak eta funtzioak honako hauek dira:
PIN1 (PD4 / BEEP / TIM2_ CH1 / UART1 _ck): D4 portua
PIN2 (PD5 / AIN5 / UART1 _TX): D5 portua
PIN3 (PD6 / AIN6 / UART1 _RX): D6 portua
PIN4 (NRST): berrezarri
PIN5 (PA1 / OSCIN): A1 portua
PIN6 (PA2 / OSCOUT): A2 portua
PIN7 (VSS): Lur Digitala
PIN8 (VCAP): 1,8 V erregulatzaile kondentsadorea
PIN9 (VDD): energia hornidura digitala
Pin10 (pa3 / tim2_ ch3 [spi_ nss]): A3 portua
PIN11 (PB5 / I2C_ SDA [Tim1_ BZE]): B5 portua
PIN12 (PB4 / I2C_ SCL): B4 portua
Pin13 (PC3 / Tim1_ch3 [TLI] [Tim1_ Ch1n]): C3 portua
PIN14 (PC4 / CLK_CCO / TIM1_ CH4 / AIN2 / [Tim1_ CH2N]): C4 portua
Pin15 (PC5 / spi_sck [Tim2_ Ch1]): C5 portua
Pin16 (PC6 / spi_mosi [Tim1_ CH1]): C6 portua
Pin17 (PC7 / spi_miso [Tim1_ CH2]): C7 portua
PIN18 (PD1 / Igeriketa): D1 portua
Pin19 (PD2 / AIN3 / [Tim2_ CH3]): D2 portua
PIN20 (PD3 / AIN4 / TIM2_ CH2 / ADC_ ETR): D3 portua
Goiko irudian erakusten den moduan, STM8S103F3P6 Chip-ek 16 I / O pin ditu, hainbat helburuetarako erabil daitekeena, hala nola GPIO, interfaze periferikoak, adc eta abar. I / O pinak bidirekzionalak dira eta izan daitezkesarrerako pin gisa erabiltzen da kanpoko seinaleak edo irteera-pinak irakurtzeko kanpoko gailuetara seinaleak bidaltzeko.Gainera, I / O Pin bakoitza independentea izan daiteke etengabeko bektorea esleitu ahal izateko etengabeko etenak prozesatzeko errazteko.
• Automatizazio sistemak: Mikrokontrolagailu hau automatizazio sistemetan erabil daiteke, hala nola gortina elektrikoak, sarbide kontrol sistemak, tenperatura kontrolatzeko eta argiztapen kontrolatzeko.
• iOT (Interneten internet) aplikazioa: iOT gailuak garatu behar baditugu, iOT nodoetarako kontrolagailu gisa erabil daiteke hainbat sentsore eta komunikazio moduluak konektatzeko eta kontrolatzeko.
• Gailu elektroniko pertsonalak: kamera digitalak, mp3 eta mp4 erreproduzitzaileak, joko elektronikoen kontsolak, etab.
• Ekipamendu elektronikoa: ekipamendu elektronikoa garatzeko erabiltzen da
, hala nola jostailu elektronikoak, urruneko kontrolak, mini kalkulagailuak, etab.
• Industri eremua: PLC, industriako kontroladoreetan, prozesuen automatizazioan eta ontzian kontrolatzeko ekipo automatikoak eta abar erabiltzen dira.
• Datuak eskuratzea eta sentsore interfazea: ingurumen-baldintzak kontrolatzeko eta datuak biltzeko edo datuak biltzeko edo hainbat sentsore lotzeko, esate baterako, sentsore arinak, tenperatura sentsoreak eta hezetasun sentsoreak.
• Kontrol sistema txertatua: kapsulatutako kontrol sistema desberdinak diseinatzeko erabiltzen da, hala nola etxetresna elektrikoak, industria ekipamenduak, energia elektrikoak eta abar.
StM8S103F3P6 stmicroelektronikak garatutako mikrokontrolagailu txipa da.8 biteko mikrokontrolatzaileen STM8 familiakoa da eta oso erabilia da kapsulatutako sistema eta iot aplikazioetan.
Stm8s103f3p6 Mikrokontroladorearen unitateak 640 biteko ROM, 10 biteko 5 kanal ADC, 1KB RAM eta Programaren memoria-tamaina 8Kb-ren tamaina du.
STM8S103F3P6 MSP430G2353, PIC16LF18444T, STM8S103F3P3, STM8S103F3P3TR edo STM8S1S103F3P6TR-rekin ordezkatu dezakegu.
Bai, STM8S103F3P6 potentzia baxuko funtzioekin diseinatuta dago eta energia-eraginkortasuna ezinbestekoa den bateriak elikatutako edo potentzia txikiko aplikazioetan erabil daiteke.
STM8S103F3P6-ren funtsezko ezaugarriak GPIO (Helburu Orokorreko Sarrera / Irteera) PINak, UART (Universal Recudrons / transmisore unibertsala) komunikazioa, I2C (Integratutako Zirkuitua) Komunikazioa, SPI (Serial Periferikoaren interfazea) komunikazioa, tenporizadoreak eta gehiago.
GURI BURUZ
Bezeroen gogobetetasuna behin.Elkarrekiko konfiantza eta interes komunak.
Lithium Coin Cell Cell CR2354-ren zehaztapen teknikoak
2024-08-02
Gida integrala ATMEGA328-PU mikrokontrolatzaileari
2024-08-02
posta: Info@ariat-tech.comHK TEL: +852 30501966Gehitu: Rm 2703 27F Ho King Comm Center 2-16,
Fa Yuen St MongKok Kowloon, Hong Kong.